Search by Model Number

Search by Part Number

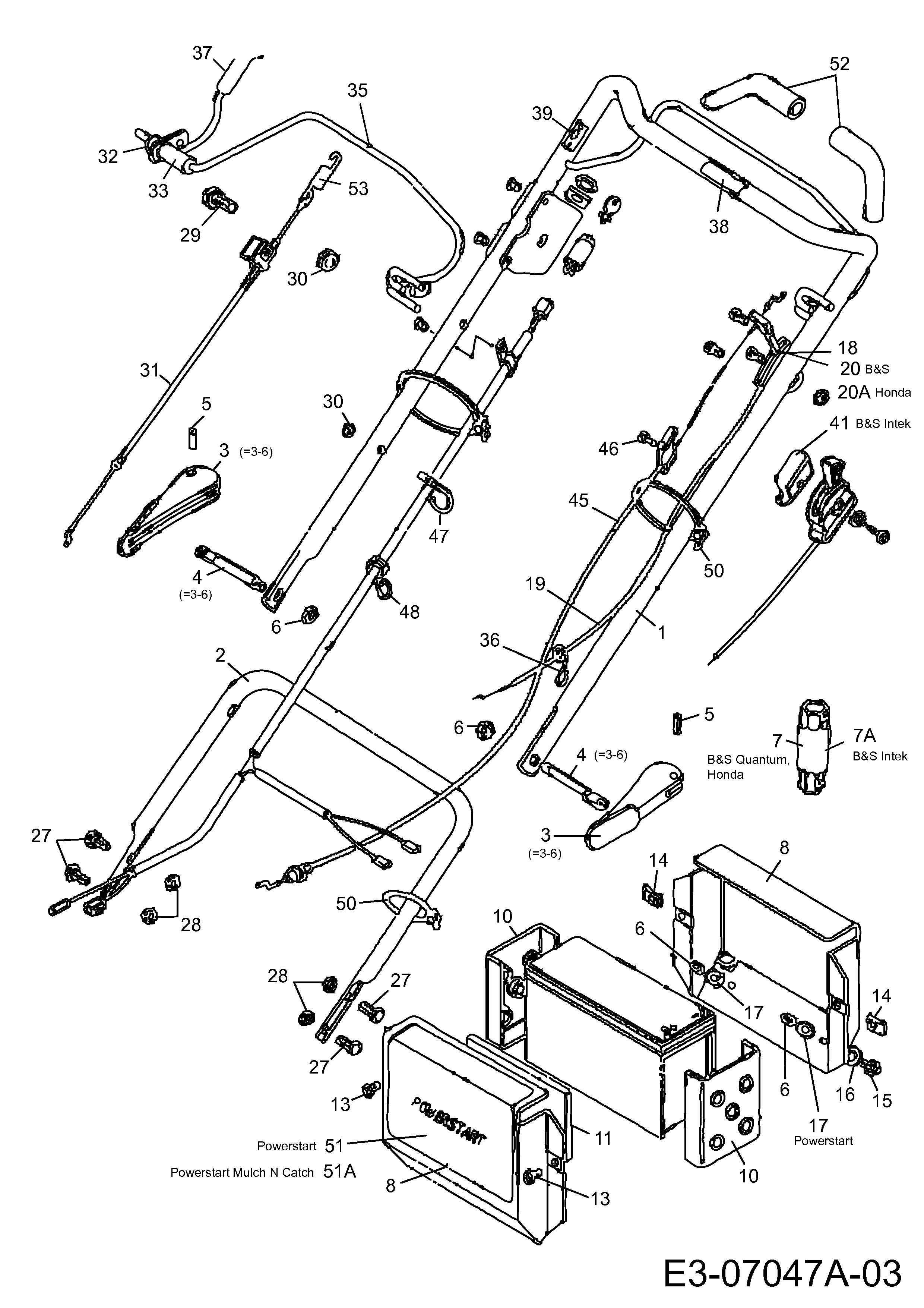
MTD014411 - Handle

Assembly drawing

Please use your mouse to zoom in and out for more detailed view

MTD014411

Parts list

Match the number with the image on the left and click "Add" button to add the item to your basket

Please note, that the prices are for individual items

Items might appear more than once on the drawing, please check and adjust the quantity you require.

Ref No Description Price
001 749-05070-0637 NO LONGER AVAILABLE N/A POA
002 749-05071 NO LONGER AVAILABLE N/A POA
003 951-00001 NO LONGER AVAILABLE N/A POA
004 951-00001 NO LONGER AVAILABLE N/A POA
005 715-0156 ROLL PIN 1/4 X 3/4 £2.91 Add
006 951-00001 NO LONGER AVAILABLE N/A POA
007 727-04399 PLUG SPANN.DOM& 13HP/16HP £3.11 Add
008 A03556 BATTERY SUPPORT MOD 35/75 £23.18 Add
009 725-06052 BATTERY £105.32 Add
010 A03558 BATTERY BLOCK P/START £3.97 Add
011 A03610 FOAM BLOCK POWERSTART £3.21 Add
012 A03563 (OBSOLETE) N/A POA
013 710-05483 SCREW 3/16"X.500 £1.54 Add
014 A02002 NUT U TYPE £1.83 Add
015 710-06006 SKT SCREW 5/16X3/4 UNC A02083 £1.98 Add
016 736-04644 WASHER FLAT £1.81 Add
017 736-05016 FLAT WASHER £2.73 Add
018 787-03031 STOP £2.28 Add
019 A10742 NO LONGER AVAILABLE N/A POA
020 687-05013 CONTROL THROTTLE 22" £7.04 Add
027 710-06006 SKT SCREW 5/16X3/4 UNC A02083 £1.98 Add
028 712-04344 NUT A04045 £1.94 Add
029 710-05482 SET SCREW £2.06 Add
030 712-04351 HEXAGON NUT £1.68 Add
031 746-05039 CLUTCH CABLE 22 INCH (OBSOLETE) N/A POA
032 750-05706 WASHER £4.24 Add
033 618-06034-0637 CLUTCH LEVR ASSY BLACK (OBSOLETE) £18.93 Add
035 647-05006 BALE ASSY MODEL 60/70 (OBSOLETE) (OBSOLETE) N/A POA
036 732-05011 NO LONGER AVAILABLE N/A POA
037 731-08956 GRASSBOX HANDLE A03739 £2.28 Add
038 777123794 LABEL BLADE BRAKE CE £1.54 Add
039 A03622 NO LONGER AVAILABLE N/A POA
041 731-09072 THROTTLE CONTROL BLOCK 22" £3.62 Add
045 746-05020 BRAKE CABLE 22 INCH £8.55 Add
046 710-05489 SCREW (OBSOLETE) (OBSOLETE) (OBSOLETE) N/A POA
047 710-1205 ROPE GUIDE £3.26 Add
048 732-05011 NO LONGER AVAILABLE N/A POA
050 725-0157 NO LONGER AVAILABLE N/A POA
051 A03938 NO LONGER AVAILABLE N/A POA
052 720-04195 GRIP HANDLE FOAM £6.63 Add
053 732-05009 SPRING CLUTCH CABLE 61/80 (OBSOLETE) (OBSOLETE) (OBSOLETE) N/A POA
07A A12392 NO LONGER AVAILABLE N/A POA
20A A10720K NO LONGER AVAILABLE N/A POA
51A A03774 NO LONGER AVAILABLE N/A POA